导航列表
- 板对板BTB连接器
- SATA 连接器系列
- SIM卡座 SD卡座 TF卡座
- USB 连接器
- MINI PCI-E连接器
- RJ45连接器
- HDMI 公/母座连接器系列
- FPC 系列产品
- 条形连接器 WAFER 针座
- 按健开关系列产品
- 网络变压器/电感类/滤波器
- 综合类产品
联系我们
- 地址:深圳市光明区公明街道创维路和松白路交界处云景国际第5栋
- 电话:0755-36610035
- 传真:0755-36610036
- 邮箱:luy.wang@163.com
您现在的位置:网站首页 > SATA 连接器系列
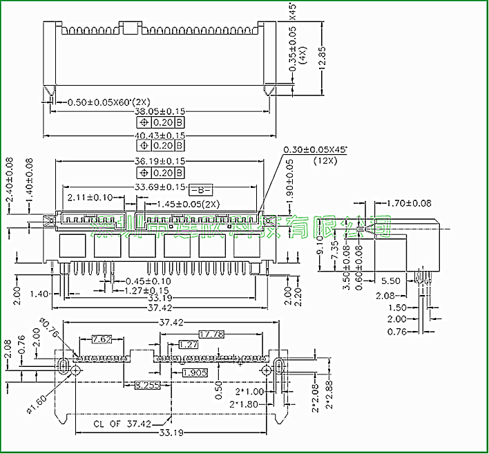
SATA7+15PIN90度插板式9.1H SATA接口加高厂家定制
- SATA连接器母座
- SATA连接器90度插板式
- SATA硬盘接口
- SATA连接器厂家
- 产品描述:《实力厂家》深圳市连欣科技有限公司是一家集研发、生产、销售于一体的一线连接器公司,公司的主要产品有:SATA连接器,SATA连接器7PIN直插全包带窗,SATA22PIN接口H4.2/5.0/6.74MM母座贴片,SATA连接器7+15PIN双排/单排直插,SATA连接器22PIN公座反向,SATA连接器7PIN立式全包,SATA公座7PIN三面半包,SATASATA连接器厂家,SATA连接器插头
产品介绍












